4,232    16    2  

Frekvensomformer 1fas-3fas for borehullspumpe, tips?

 9     Sandnes     0
Hallo.

Kanskje noen her som kan bidra med tips på veien.

Har en borehullspumpe, 3fas, 2kw, med en schneider softstarter forankoblet. Målte fasetrekk på ca 10A pr fase under drift under noe feilsøking for lengre tid siden.
Men, lurer på å lage en backupløsning for å drive denne fra et strømaggregat i tilfelle strømbrudd(har noen stort sett hver vinter...).
3fas 230V aggregat er det ikke veldig stort utvalg i mer normale prisklasser... Så lurer litt på om alternativet 1fas og frekvensomformer 1fas/3fas kan være en løsning.

Noen som har tips til en variant som vil fungere bra og som forhåpentligvis ikke koster skjorta? Gjerne kom med forslag til type.
Hvor stort aggregat bør jeg evt bruke sammen med en slik løsning ?  
Vil f.eks et 3kw 1fas være brukenes sammen med en frekvensomformer og videre til pumpa ?
Evt om jeg må ta høyde for et prosentvis tap ved en slik konvertering...

Mh blizza
Husk dette under oppussing: Lagre kvitteringer, bilder og avtaler i Boligmappa. Logg inn her

   #2
 2,435     Hordaland     0
Husk at strømaggregater ofte oppgis med maksimal effekt. De fleste datablader for aggregater oppgir maks effekt, og konstant effekt.

Borehullspumpen din har antagelig også en høy startstrøm, som gjør at du må ha et aggregat som er en del kraftigere enn borehullspumpen.

Når du i tillegg skal drifte en 3-fase motor med et 1-fase aggregat, vil det også kreve en del kraftigere aggregat enn pumpemotor pga økt strømtrekk i hver fase og effekttap.

Jeg tror kostnaden med 1-fase aggregat + frekvensomformer eller kondensatorbatteri vil være nokså lik et 3-fase aggregat.


Jeg har dog et gammelt 3-fase bensinaggregat stående som du kan få kjøpe rimelig om du er interessert. Tongue Gammelt militært aggregat fra krigens dager. Driftssikkert, lettstartet og vannavkjølt. Mener aggregatet er 220V 5kVA 3-fase.
Signatur
  (trådstarter)
   #3
 9     Sandnes     0
Takk for svar.

Er det noen tommelfingerregel ang effekt ved 1fas-drift konvertert til 3fas ?
Må jeg eksempelvis doble effekten på 1fas tilførselen ?
Så egentlig for meg at en frekvensomformer skulle kunne styre oppstarten uten de store startstrømmene...
Har funnet et Kipor 3fas til 18-20000... Og Honda må du opp i nærmere 30k... Problemet er utvalget i 230V 3fas med litt effekt. De fleste er 400V på 3-fas.
Så er det en annen ting med 3-fas aggregat(ihvertfall det lille jeg har lest hittil), at det må belastes jevnt på alle faser. Egentlig ikke det store spørsmålet for akkurat drift av denne pumpa, men alternativt bruk til annet blir litt mer at man må fordele last jevnt på 1fas utstyr... Ikke like enkelt hvis man vil drifte f.eks et verktøy e.l.

Prismessig så får du endel 1-fas aggregat rundt 10-15000,- kr hvis jeg ikke må så veldig høyt opp i effekt på 1-fas.. Og kikka akkurat på en ABB frekvensomformer for 2,2kw. til ca 4500. SÅ prismessig er det ikke så galt, og enklere å bruke til andre ting.

Ang aggregatet ditt så kan kanskje det være interessant. Har du noe mer info/bilder/pris ? (send gjerne til eposten i profilen min). Regner med det er bygget som en "liten" tanks, og vek deretter kanskje.. Tongue ?
   #4
 2,435     Hordaland     0
Borehullspumpen din kan kanskje kobles om til 400V 3-fase, i så måte løser du mye av problematikken med 3-fase aggregater.

I hovedsak kan du tenke at effekt er effekt. Når du endrer antall faser eller spenning, så vil amperen forandre seg. Du opplyser at når pumpen driftes med 3x230V pr i dag, så trekker den rundt 10A. Det vil si at pumpen har en effektfaktor på ned mot 0,6. Dette er nokså grove tall, og man bør ha merkedataene på motoren for å kunne foreta en god beregning.

Dersom pumpemotoren kan kobles om til 3x400V så vil du redusere strømtrekket ned til rundt 5,5A. Det skal være fullt mulig å finne et aggregat i en overkommelig prisklasse som kan drifte dette.

Skal du drifte borehullspumpen med 1-fase 230V vil strømtrekket gå motsatt vei, og krype opp mot minst 16A. Du må i så tilfelle finne et aggregat som kan yte minst 16A (3600W) kontinuerlig drift.
Signatur
   #5
 25,737     Akershus     0
Hvordan arrangeres koblingen av en nedsenket borehullspumpe som i normaldrift går med 3*230V, men i nøddrift med 3*400V?
Signatur
   #6
 2,435     Hordaland     0
6-leder kabel med kontaktorstyring. Typisk Y/D-vender kobling, da med separate tilførsler for Y- og D-drift.
Signatur
   #7
 2,435     Hordaland     0
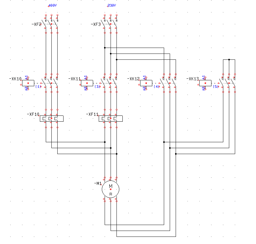
Hvordan arrangeres koblingen av en nedsenket borehullspumpe som i normaldrift går med 3*230V, men i nøddrift med 3*400V?



400V drift må kontaktor XK10 og XK13 aktiveres.

230V drift må kontaktor XK11 og XK12 aktiveres.

Styrestrømmen må bygges opp med forriglinger mellom Y/D trinnene.
Frekvensomformer 1fas-3fas for borehullspumpe, tips? - YD230400.png - eydybdal
Signatur

  (trådstarter)
   #8
 9     Sandnes     1
Tror ikke det er så lett å få til valgfri driftspenning...
Pumpa er ferdig koblet, og er levert som 230V. Er en laang kabel på 120m med 3 leder + jord, og blir neppe aktuelt med noe endring her for å kunne kjøre 400V.
Sjekka merkeskilt. Er en Albatros 2,2kw pumpe(c27). Ihht tabell på datablad så skal den trekke 10,5A som er sånn ca det jeg målte(jeg målte litt mindre). Men er jo noen faktorer her som løftehøyde for vannet som pumpa trykker mot, trykktank o.l.
   #9
 2,941     0
GEBE har et 230V trefase-aggregat (med Honda-motor) på 4,4kW til godt og vel 20.000. Har et slikt selv, innkjøpt for lenge lenge siden til en lavere pris...

http://www.bsbutikken.no/index.php?main_page=product_info&cPath=219_5_6&products_id=570122

Problematikken rundt jevn belastning har jeg aldri opplevd; det driver i alle fall enfasede elektroverktøy uten problemer, både kraftig vinkelsliper og sveiseapparat med 3,25 elektroder gikk også forholdsvis greit. (kombinasjonen sveiseapparat og aggregat er ofte litt problematisk ved tenning av lysbuen; belastningen øker fortere enn aggregatet henger med.)
   #10
 2,435     Hordaland     0
Har du vurdert andre alternativer? Eksempelvis 1000 liters vannmagasin som fylles opp av borehullspumpen, med en 1-fase trykkpumpe mot forbruksanlegget?
Signatur
  (trådstarter)
   #11
 9     Sandnes     0
Inge: Den linken leda meg til et 400V aggregat... Fant ikke noe 230V 3fas av den modellen.

Og nei, har forsåvidt ikke vurdert andre løsninger, så som magasin o.l. Vi er 5 husstander på en felles brønn, og ja, hver enkelt kunne jo ordnet hver for seg et magasin og ting å tang. Men trur i praksis det blir for mye.
Sånn i teorien så ville det vært en enkel backup med et aggregat. Men det baller liksom litt på, og teroien/erfaringen med frekvensomformere er litt begrenset. Vi fikk låne et 3fas aggregat av den enkle sorten under oppstarten for testing(var vel et 16A 3fas). Gjekk så ei kula det. Et gammalt enkelt et som det lokale el.verket hadde. Kun motor og generator, og såvidt noen ekstra deler...
   #12
 2,435     Hordaland     0
Vi er 5 husstander på en felles brønn

Høres ut som litt samme løsning som benyttes hos et av mine familiemedlemmer, hvor 5 eneboliger deler på samme borehull.

Der er det bygget opp et 10.000 liters vannmagasin som fylles opp av borehullspumpen. Borehullspumpen er regulert av tidsintervaller og nivåstyringer. Videre blir vannet filtrert og UV-belyst, før det blir sendt ut på fordelingsnettet til boligene av en trykkpumpe.

Også for dette anlegget blir det nå vurdert aggregatløsning, og GSM sender for SMS varslinger ved lavt vannivå i magasinet. Det blir kun prioritert å drifte trykkvannspumpe og renseanlegget ved strømbrudd.

Jeg ser for øvrig ingen problemer i å drifte borehullspumpen ved strømbrudd, så lenge man har et aggregat som er kraftig nok til å drifte det. Større 3-fase aggregater har også ofte elektrisk start, slik at aggregatet kan startes automatisk ved strømbrudd om ønskelig.
Signatur
  (trådstarter)
   #13
 9     Sandnes     0
Se det ja. Flere med lignende oppsett. Men hos oss har vi ikke dette magasinet. Ser dere har en litt annen og kanskje også bedre løsning. Vi har bare en 300 liter trykktank som "magasin" og borehullspumpa styres av en trykkbryter i anlegget.
Så litt enklere hos oss.
Men det fungerer forsåvidt greit dette og.

Får følge med på finn.no Smile
   #15
 2,941     0
Hmmm, ja, jeg ser det står 400V på linken. Det leveres uansett i en 230V utgave også (det er det jeg har...), og om du ser på side 12 i denne bruksanvisningen, så ser det ut til å være en helt standard omkobling fra 400V stjerne til 230V trekant, så det er muligens bare stikkontakten (blå 4-pol kontra rød 5-pol) og evt. trefase-automatsikringen som egentlig er forskjellig.

http://gkwebonline.no/krigisprd/Media/B/570113B.pdf
   #16
 2,435     Hordaland     0
Gebe 6500DC3 kan belastes med opptil 13A pr fase ved 230V 3-fase belastning som kontinuerlig strømtrekk, og opptil 14A maksimalt strømtrekk.

Aggregatet skal også kunne dra i gang en 3-fase asynkronmotor med nominell effekt på opptil 3,3 kW.

Tror dette aggregatet fint skal klare å dra borehullspumpen. Smile

Frekvensomformer 1fas-3fas for borehullspumpe, tips? - BB9998.png - eydybdal
Signatur