Vi skal ha VBV fra Varmepumpe Agder. Vi får halv pris på legging av rørene siden jeg stiller meg selv til disp. Da får vi full garanti og godkjenning.
Kva slags godkjenning?
Åhh, her har vi en "Legende" som skal fortelle oss at vi ikke får noen som helst godkjenning på VBV/rørarbeid i gulvet.
Det viktigste er at vi får 5 års garnanti istedetfor at vi må ta hele ansvaret selv for rørene i gulvet. Vi sparer og kan sette det på egenkapital "kontoen". Er vel nesten ingen leverandører som lar den menige mann i gata gjøre dette selv lenger. Hadde ikke jeg gjort hadde jeg måttet stille med garanti.
Tror ikke at han skal fortelle dere det, han har bygget 300kvm+++hus til under 5000,- kvm så han er kongen på egeninnsats
Vi har beregnet litt mindre men har satt av ett par hunde extra. Vi får se når alt er gjort opp. Vi legger utnoe på veien og har en avtale om refusjon på ca 120 000,- pluss at vi har en teknisk plan på VVA som vi skal ha refusjon på.
Her ser dere hvordan husets plassering med terrasse, garasje, hundegård og innkjørsel/gårdsplass er tenkt. Siden vi eier begge tomtene så bygger vi helt inntil grensen mellom tomtene. Måtte bare skrive ei erklæring til oss selv at vi kunne bygge nærme oss selv :o
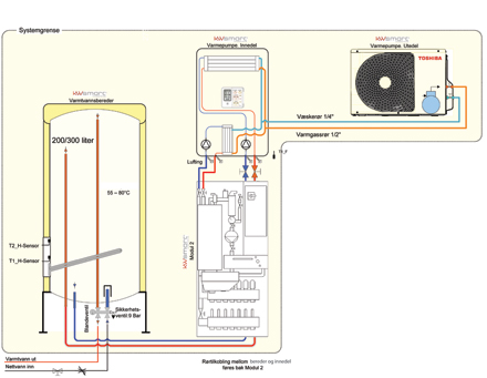
Har valgt VBV fra Varmepumpe Agder. Det blir med dobbelmantlet breder og ferdigmonterte skap. Trådløse termostater. Blir pent på vaskerommet dette her i stedet for en masse rør og greier som henger på veggen.
Er vel egentlig 179000,- men med egeninnsats og ENOVA-støtte så blir prisen 159000,-. Vi stiller med mann (meg) til legging av rør i sokkelen. Dette er med rør til badet i annen etasje og i garasjedelen. Motorsykkelene våre skal ikke fryse på vinteren, samt det blir nok brukt til bod/treningsrom.
Har hatt takstmann til å vurdere projektet. Venter i spenning på hva han kommer frem til. Og så får vi se om banken blir imponert. Er nå andre som bygger tilsvarende i området og vi forventer at det går i orden.
Venter enda på tekniskplan for Vva for feltet. Fikk pålegg fra kommunen om dette i sisteliten. Den koster 50.000,-. Og skulle vært ferdig sist uke. Nå sitter jeg her og blir bare mer og mer oppgitt over hele opplegget. Kommunen har prøvd det de har klart å sette kjepper i hjulene for oss. Men de skal ikke vinne. Men blir det mer nå så avslutter vi og flytter. Gidder ikke mer byrokrati kjenner jeg. De er ikke mye serviceinstilt her nede kjenner jeg.
Tror ikke at han skal fortelle dere det, han har bygget 300kvm+++hus til under 5000,- kvm så han er kongen på egeninnsats
Vi har begge tomtene på bildet.
Vi har beregnet litt mindre men har satt av ett par hunde extra. Vi får se når alt er gjort opp. Vi legger utnoe på veien og har en avtale om refusjon på ca 120 000,- pluss at vi har en teknisk plan på VVA som vi skal ha refusjon på.
Men har uansett litt slingringsmonn i budsjettet.
Har hatt takstmann til å vurdere projektet. Venter i spenning på hva han kommer frem til. Og så får vi se om banken blir imponert. Er nå andre som bygger tilsvarende i området og vi forventer at det går i orden.
Venter enda på tekniskplan for Vva for feltet. Fikk pålegg fra kommunen om dette i sisteliten. Den koster 50.000,-. Og skulle vært ferdig sist uke. Nå sitter jeg her og blir bare mer og mer oppgitt over hele opplegget. Kommunen har prøvd det de har klart å sette kjepper i hjulene for oss. Men de skal ikke vinne. Men blir det mer nå så avslutter vi og flytter. Gidder ikke mer byrokrati kjenner jeg. De er ikke mye serviceinstilt her nede kjenner jeg.
GI GJERNE TILBAKEMELDINGER:)