4,356
3
2
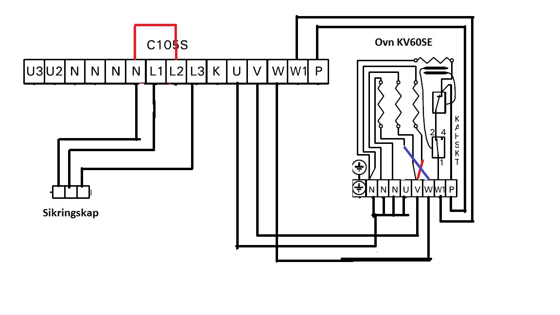
Koble badstuovn Harvia KV60SE + C105S styringsenhet. 230V 3fas. Prøvd siden mai.
160
1
Hei
Vist det trengs mer info si ifra 8)
Noen flinke folk her som kan hjelpe meg med litt elektriske problemer ?
I mai kjøpte jeg en elektrisk badstuovn av typen Harvia KV60-SE med styringspanel fra Harvia av typen C105S.
Dette er en kombi ovn som skal kunne fungere som vanlig badstue og dampbadstue. Problemet mitt siden mai har vært at jeg ikke får dampbadstue til å virke, vanlig badstue har fungert som den skal.
Elektriker har koblet frem og tilbake etter div koblingsskjema Sundwind (norsk leverandør for Harvia) men uten hell, har fått nytt styringspanel og ny ovn men har fortsatt samme problem så her må jo være noe galt med oppkoblingen mener nå jeg da.
Ovnen blir originalt levert som 400V ovn men skal kunne kobles for å fungere på 230V 3fas.
Legger ved instruksjonsboka for ovnen, der er en del koblingsskjema.
Vist det trengs mer info si ifra 8)
Noen flinke folk her som kan hjelpe meg med litt elektriske problemer ?
I mai kjøpte jeg en elektrisk badstuovn av typen Harvia KV60-SE med styringspanel fra Harvia av typen C105S.
Dette er en kombi ovn som skal kunne fungere som vanlig badstue og dampbadstue. Problemet mitt siden mai har vært at jeg ikke får dampbadstue til å virke, vanlig badstue har fungert som den skal.
Elektriker har koblet frem og tilbake etter div koblingsskjema Sundwind (norsk leverandør for Harvia) men uten hell, har fått nytt styringspanel og ny ovn men har fortsatt samme problem så her må jo være noe galt med oppkoblingen mener nå jeg da.
Ovnen blir originalt levert som 400V ovn men skal kunne kobles for å fungere på 230V 3fas.
Legger ved instruksjonsboka for ovnen, der er en del koblingsskjema.
Vist dere trenger mer info bare si ifra så skal jeg finne det dere trenger, begynner og bli passelig oppgitt over denne ovnen :-\
Beklager vist det går og legge til flere vedlegg i samme post men fikk det ikke til.
C105S logix.pdf
Her er løsningen vist noen andre skulle støte på samme problem