26,492
32
5
Ønsker hjelp til kobling av skumringsrelé
61
Romerike
2
Hei.
Først: De som skal kommentere at dette må overlates til autorisert personell trenger ikke kommentere. Jeg vet at huset kan brenne ned.
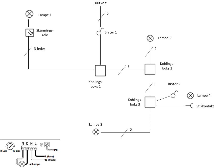
Case: Jeg skulle bytte det gamle skumringsreleet for utelyset da den var noe ustabil. Dessverre koblet jeg fra uten å merke meg hvordan det hang sammen. Det skulle jo ikke være så vanskelig...?
Det gamle reléet (Micromatic) hadde 3 koblingspunkter (+ jord). Det nye reléet (Steinel) har 4 koblingspunker (+ jord). 3 ledere (+ jord) fører frem til reléet.
Før byttet ble de andre lampene (2 og 3) i kretsen koblet på samtidig med lampa (1) som sitter bak reléet. (Stikkontakt og bryter 2 + lampe 4 har kontinuerlig spenning uavhengig av reléet.)
Jeg mangler tydeligvis både intelligens og kompetanse, og får ikke lampene 2 og 3 til å lyse samtidig med lampe 1 når det nye reléet slår inn.
Er det noen som klarer å tegne opp dette?
Bryter 1 slår av og på strøm til hele kretsen, inkludert stikkontakt og bryter 2 + lampe 4
Kan noen også forklare hvorfor det ligger 280-300 volt over bryter 1?
Først: De som skal kommentere at dette må overlates til autorisert personell trenger ikke kommentere. Jeg vet at huset kan brenne ned.
Case: Jeg skulle bytte det gamle skumringsreleet for utelyset da den var noe ustabil. Dessverre koblet jeg fra uten å merke meg hvordan det hang sammen. Det skulle jo ikke være så vanskelig...?
Det gamle reléet (Micromatic) hadde 3 koblingspunkter (+ jord). Det nye reléet (Steinel) har 4 koblingspunker (+ jord). 3 ledere (+ jord) fører frem til reléet.
Før byttet ble de andre lampene (2 og 3) i kretsen koblet på samtidig med lampa (1) som sitter bak reléet. (Stikkontakt og bryter 2 + lampe 4 har kontinuerlig spenning uavhengig av reléet.)
Jeg mangler tydeligvis både intelligens og kompetanse, og får ikke lampene 2 og 3 til å lyse samtidig med lampe 1 når det nye reléet slår inn.
Er det noen som klarer å tegne opp dette?
Bryter 1 slår av og på strøm til hele kretsen, inkludert stikkontakt og bryter 2 + lampe 4
Kan noen også forklare hvorfor det ligger 280-300 volt over bryter 1?

På releet kan N-terminalene kobles sammen.
Trolig er lederne for L og N byttet om inn på releet.
2 jord (jord inn, jord til lampe): forhåpentligvis begge to gul/grønn, skal på jordklemma.
2 N (N-leder inn, N til lampe): som regel(!) blå i nyere anlegg, hvit i eldre. Pga merkingen med N/N regner jeg med at reléet bryter kun én fase, da kan de to lederne som KjellG skriver kobles på hvilken som helst av de to N-klemmene (eller én på hver).
1 L-leder inn: den lederen som kommer fra bryter 1 via koblingsboks 1 og som er hverken jord eller N-lederen. Kobles på L. (Fremføres dessuten uten å brytes via K1, K2 og K3 direkte til bryter 2, lampe 4 og stikk.)
2 L-ledere ut: den resterende L-lederen til lampe 1 og den resterende lederen som kommer fra koblingsboks 1. Begge kobles på L' og brytes derfor vha reléet.
L-lederne har stort sett hvilken som helst farge bortsett fra gul/grønn. En grei regel er å bruke brun hvis N-lederen er blå, eller svart dersom N-lederen er hvit. I mitt anlegg er etter det lille jeg skjønner, ikke-brudde L stort sett brune, og bryteledinger svarte :)
Totalt sett er jeg nesten enig med KjellG's diagnose...
Det vet jeg ikke. Leser at IT-nett er mest vanlig i Norge, men kan jeg oppnå 300V over bryter 1 med IT-nett?
Sitter på jobb nå, men hvis jeg ikke husker feil ohmet jeg til null motstand mellom N-terminalene (uten at noen ledere var tilkoblet reléet), så da er det sikkert i orden.
Fargene til reléet er hvitt, svart og rødt. Anlegget er skjult mellom reléet og koblingsboks 1, og mellom koblingsboks 1 og bryter 1. Fargene som kommer til koblingsboks 1 er hvitt, svart og brunt. I tillegg er det benyttet blått her og der. Det eneste som er sikkert er at jord er gult/grønt :)
Jeg skal nedtegne beskrivelsen din og teste hvis jeg forstår tegningen. Takk så lenge!
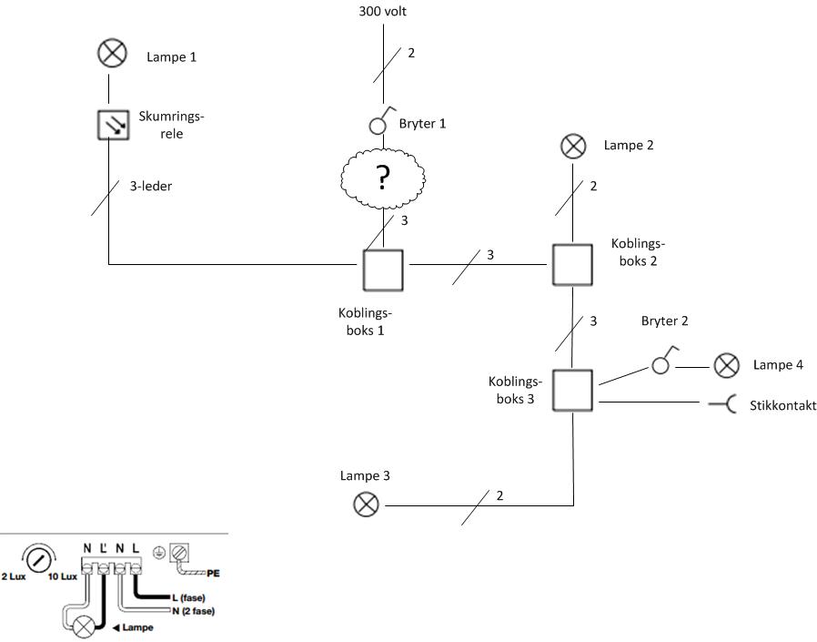
Ifølge tegningen er det 2 ledere til K1? Eller snakker du om forbindelsen K1-K2?
Unøyaktig tegning. Skjult anlegg (og minst en koblingsboks) mellom B1 og K1. Usikker på hvordan det er koblet. Kunne tegnet en sky eller noe :)
Ser bare at det ligger 300V over B1, og at 3-leder inn til K1 (svart, hvitt og brunt) får tilført spenning når B1 slås på.
Du har trolig et 230 V IT nett (litt eldre hus?). I et slikt nett finnes ikke 300V så selv med en feilkobling skulle du ikke få det. OM netteier sender 300V mot deg, så vil mesteparten av de elektriske apparatene i huset gå fløyten.
Fase 1: rød
Fase 2: grønn
Lysleder: rosa
Grønn går til alle: demringsrele merket N, til en side på lampene 1,2 og 3, b2 og stikk
Rød går til demringsrele merket L, b2 og stikk
Rosa går fra demringsrele merket L*.
Rosa går til lampene 1,2 og 3
At det kommer 3 ledere fra b1til k1 forvirrer. Kan være rester etter en tidligere b1 dobbel/kronevender.
Da må det være noe galt med voltmeteret... Den måler 300V+ i alle stikk inne i huset.
Styreleder og vaktmester for et sameie med to blokker med økende vedlikeholdsbehov.