Jeg trur heller ikke permafrost er noe problem på Nes i Akershus.
Iforhold til dybde er jeg selvsagt mest interessert i å grave minst mulig, men er også sånn at jeg vil heller gjøre det lille ekstra for å være sikker. En å finne ut i etterkant at jeg egentlig burde gravd litt dypere.
I samme slengen så retter jeg ut hagen og legger ny drenering. Sånn sett så er jeg ikke så redd for gresset he he.
En annen ting er jo også at det er såppass dypt at det er mulig å grave til ting i etterkant uten å være redd for å treffe kollektor rørene.
Ein lager aldri permafrost med jordkollektor. Det som skjer er at når det frys rundt kollektoren får ein luft rundt kollektoren når isen smelter, og derved lågare varmeopptak slik at ein må kjøra det enda kaldere neste år. Så det viktigeste er lang nok kollektor slik at ein får nok varmeopptak utan å gå for langt ned i temperatur.
Alle er enige at det ikke er permafrost i dag, problemet er om en lager det ved hjelp av varmepumpen. I så fall vil tenperaturen synke år etter år.
Så du mener det er reelt grunnlag for å eskalere permafrost-panikken?
Det høres nesten ut som at du aktivt ønsker å få folk bort fra jordvarme-VPer. For 7-8 timer siden hadde jeg en montør inne som installerte AMS-måler hos meg. Det betyr at når jordvarme-VPen beholder samme COP selv med 30 blå gjennom hele januar, og du som er min nabo har luft-luft-VP. så vil din strømregning bli vesentlig høyere enn min.
Takket være AMS behøver ikke lenger strømleverandøren å anta at mitt forbruk øker like mye som ditt, slik det har vært til nå. AMS-dataene forteller at jordvarme-VP-eienrne har langt mindre økning i forbruket enn gjennomsnittet, mens de med LL-VP har vesentlig mer.
Ellers må vi ikke glemme at de med jordvarme-VP som også velger å installere aktiv kjøling om sommeren pumper masse varme ned i jorda. Klimaet avgjør naturligvis forholdet mellom varmeuttak fra jorda i vintermånedene og tilbakeføring av varme gjennom aktiv kjølig i sommermånedene, så det er umulig å si noe absolutt om nettoen. Men sommerkjølingen bidrar ihvertfall aktivt til avhjelping av problemet for de som har permafrost-panikk.
Skal legge 450m med jordslynge etter anbefaling av de som skal sette opp varmepumpa, så håper det skal holde.
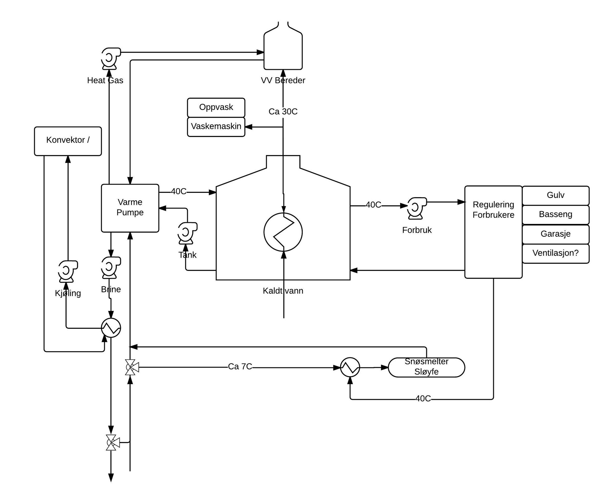
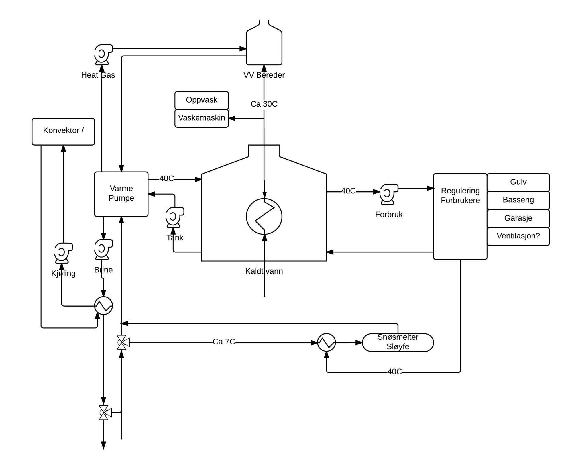
Hvordan fungerer egentlig aktiv kjølingen på varmepumpa. Har ikke helt fått svar på det. Lest at varmepumpa jeg har bestilt kan det. Men når jeg spurte om det til en av tilbyderene nevnte han noe om problem med kondens.
Normal bruker ein ikkje v/v varmepumpe til kjøling, ein bypasser vp og kjører væske fra borehullet rett ut til viftekonvektorer vha ein ekstra pumpe det holder for de aller fleste.
Kjøper ein med modul for aktiv kjøling kjøres kjøling gjennom vp. og om det ikkje bli kalt nok kjører vp. i revers som kjøler ned væska fra borehull ekstra.
Under eksempel på passiv kjøling. Ved aktiv kjøling flyttes ventiler inn i vp. og den ekstra sikr. pumpa fjernes.
Siste redigering: Friday, June 1, 2018 7:32:52 AM av oblygre
Ønsker ikke å ta liv av noens ønsker om å benytte jord varme men har bekjente som har lagt det to ganger siden første gangen ble det ikke lagt rett. Da sank effekten for hvert år. Så det er ikke bare å stappe ned en del meter med slange og tro at det er det samme hvordan det blir lagt. Både dybde og hvor tett slyngene ligger kan avgjøre.
Hva er typisk pris på viftekonvektorer for passiv kjøling? (Kun kjøling - har ikke behov for varme-funksjonen)
Finner et stort utvalg når jeg søker på nettet, men bare noen få har angitt pris. Spesifikasjonen varierer også ganske mye - ikke minst på støynivå. Hva er det som trekker prisen opp - er det lavt støynivå?
Kan du kjøre kuldemediet fra VPen direkte gjennom viftekonvektoren, eller må/bør du ha en varmeveksler i tillegg? Betyr i så fall det at du også må legge til prisen på ei pumpe for å drive denne kretsen? (Viftekonvektoren har neppe noen pumpe i seg!)
Vi bør legge merke til at skolen på kalde vinterdager kan ha et energiuttak på mer enn 3500 kWt per døgn. Det er et hakk mer enn en vanlig enebolig...
Energibrønnene deres går 200 m ned, men dekker bare rundt 1000 kvm (jeg har ikke funnet arealet spesifisert, men avstanden mellom brønnene er 7 meter, og med 24 brønner blir det rundt 30 meter kvadrat). Normalt anbefaler man for jordvarme til enebolig minimum 5-600 kvm - da snakker vi ikke 200 m ned, men det antyder likevel at de som dimensjonerte anlegget var fullt klar over at de befant seg langt ute mot ytterenden av energi-opptak. (Det bekreftes jo at at de "for sikkerhets skyld" mater solvarme ned i borehullene om sommeren.)
Med såpass ekstreme energiuttak fra et lite grunnareal kunne man risikere permafrost hvis det ikke ble tatt spesielle hensyn (slik det er gjort her). Jeg tror likevel ikke det er stor grunn til å overføre dette til en panikk for permafrost i privathagene.
Det er forøvrig interessant at det som "redder" borehullene fra permafrost er "solfangere" i form at pex-rør nedgravd i bakken - som en jordvarme-sløyfe. Jeg har ikke funnet informasjon om hvor dypt rørene ligger, men i og med at det er en idrettsplass oppå dem sier det seg selv at de ikke ligger helt i overflaten. Det trenger likevel nok vame ned til dem til at de kan levere ca 1250 kWt/år pr kvadratmeter til å holde borehullene fri for permafrost. (Så kanskje det kunne vært en ide til jordvarme-anlegg for de med permafrost-panikk å legge hoved-sløyfa på 1-1,5 m dyp, men en ekstra sløyfe på 35-40 cm dyp som om sommeren kan bruke solenergien til å tine opp permafrosten dypere ned? )
Iforhold til dybde er jeg selvsagt mest interessert i å grave minst mulig, men er også sånn at jeg vil heller gjøre det lille ekstra for å være sikker. En å finne ut i etterkant at jeg egentlig burde gravd litt dypere.
I samme slengen så retter jeg ut hagen og legger ny drenering. Sånn sett så er jeg ikke så redd for gresset he he.
En annen ting er jo også at det er såppass dypt at det er mulig å grave til ting i etterkant uten å være redd for å treffe kollektor rørene.
Det som skjer er at når det frys rundt kollektoren får ein luft rundt kollektoren når isen smelter, og derved lågare varmeopptak slik at ein må kjøra det enda kaldere neste år. Så det viktigeste er lang nok kollektor slik at ein får nok varmeopptak utan å gå for langt ned i temperatur.
Så du mener det er reelt grunnlag for å eskalere permafrost-panikken?
Det høres nesten ut som at du aktivt ønsker å få folk bort fra jordvarme-VPer. For 7-8 timer siden hadde jeg en montør inne som installerte AMS-måler hos meg. Det betyr at når jordvarme-VPen beholder samme COP selv med 30 blå gjennom hele januar, og du som er min nabo har luft-luft-VP. så vil din strømregning bli vesentlig høyere enn min.
Takket være AMS behøver ikke lenger strømleverandøren å anta at mitt forbruk øker like mye som ditt, slik det har vært til nå. AMS-dataene forteller at jordvarme-VP-eienrne har langt mindre økning i forbruket enn gjennomsnittet, mens de med LL-VP har vesentlig mer.
Ellers må vi ikke glemme at de med jordvarme-VP som også velger å installere aktiv kjøling om sommeren pumper masse varme ned i jorda. Klimaet avgjør naturligvis forholdet mellom varmeuttak fra jorda i vintermånedene og tilbakeføring av varme gjennom aktiv kjølig i sommermånedene, så det er umulig å si noe absolutt om nettoen. Men sommerkjølingen bidrar ihvertfall aktivt til avhjelping av problemet for de som har permafrost-panikk.
Hvordan fungerer egentlig aktiv kjølingen på varmepumpa. Har ikke helt fått svar på det. Lest at varmepumpa jeg har bestilt kan det. Men når jeg spurte om det til en av tilbyderene nevnte han noe om problem med kondens.
Kjøper ein med modul for aktiv kjøling kjøres kjøling gjennom vp. og om det ikkje bli kalt nok kjører vp. i revers som kjøler ned væska fra borehull ekstra.
Under eksempel på passiv kjøling.
Ved aktiv kjøling flyttes ventiler inn i vp. og den ekstra sikr. pumpa fjernes.
https://www.varmepumpeinfo.no/varmepumpetyper/vaske-til-vann-varmepumpe/jordvarmepumpe
http://www.viivilla.no/energi/varmepumpe/varme-fra-kjolig-fjellgrunn/
Et stykke ned i artikkel om Ljan skole i Oslo:
http://www.fornybar.no/overforing-og-lagring-av-energi/lagring-av-energi/eksempelprosjekter
her tilfører de solvarme for å hinder gradvis overgang til permafrost. De har her beregnet at det vi skje om 11 år hvis en ikke tilførte varme.
Finner et stort utvalg når jeg søker på nettet, men bare noen få har angitt pris. Spesifikasjonen varierer også ganske mye - ikke minst på støynivå. Hva er det som trekker prisen opp - er det lavt støynivå?
Kan du kjøre kuldemediet fra VPen direkte gjennom viftekonvektoren, eller må/bør du ha en varmeveksler i tillegg? Betyr i så fall det at du også må legge til prisen på ei pumpe for å drive denne kretsen? (Viftekonvektoren har neppe noen pumpe i seg!)
Vi bør legge merke til at skolen på kalde vinterdager kan ha et energiuttak på mer enn 3500 kWt per døgn. Det er et hakk mer enn en vanlig enebolig...
Energibrønnene deres går 200 m ned, men dekker bare rundt 1000 kvm (jeg har ikke funnet arealet spesifisert, men avstanden mellom brønnene er 7 meter, og med 24 brønner blir det rundt 30 meter kvadrat). Normalt anbefaler man for jordvarme til enebolig minimum 5-600 kvm - da snakker vi ikke 200 m ned, men det antyder likevel at de som dimensjonerte anlegget var fullt klar over at de befant seg langt ute mot ytterenden av energi-opptak. (Det bekreftes jo at at de "for sikkerhets skyld" mater solvarme ned i borehullene om sommeren.)
Med såpass ekstreme energiuttak fra et lite grunnareal kunne man risikere permafrost hvis det ikke ble tatt spesielle hensyn (slik det er gjort her). Jeg tror likevel ikke det er stor grunn til å overføre dette til en panikk for permafrost i privathagene.
Det er forøvrig interessant at det som "redder" borehullene fra permafrost er "solfangere" i form at pex-rør nedgravd i bakken - som en jordvarme-sløyfe. Jeg har ikke funnet informasjon om hvor dypt rørene ligger, men i og med at det er en idrettsplass oppå dem sier det seg selv at de ikke ligger helt i overflaten. Det trenger likevel nok vame ned til dem til at de kan levere ca 1250 kWt/år pr kvadratmeter til å holde borehullene fri for permafrost. (Så kanskje det kunne vært en ide til jordvarme-anlegg for de med permafrost-panikk å legge hoved-sløyfa på 1-1,5 m dyp, men en ekstra sløyfe på 35-40 cm dyp som om sommeren kan bruke solenergien til å tine opp permafrosten dypere ned?