1,246
7
0
Montering av ny peis - avstander, brannmurplate osv.
10
0
Hei.
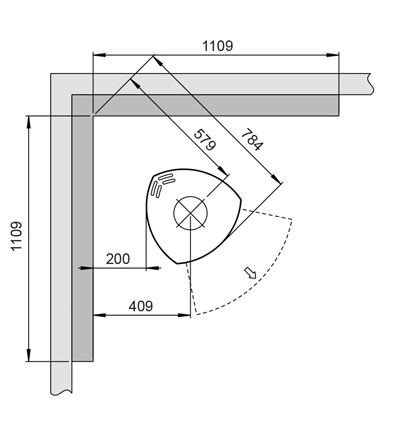
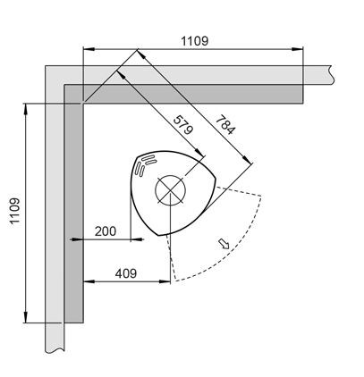
Vi skal bytte en gammel peis mot en Jøtul 371 Advance (mest trolig) og lurer på litt om det der med avstand til brennbart materiale osv.
Vi skal bruke en eksisterende skorstein men til forskjell fra bilde nedenfor så skal vi ha peisen mot rommet i 45 graders vinkel. Vi har tenkt å ha den 30 cm fra veggen. Nå har vi alle vegger åpne og vil gjerne vite om vi på veggene til høyre og venstre fra skorsteinen må bruke brannsikre gipsplater eller brannmurplate eller inget av dette siden det er 30 cm avstand fra peisen til veggen.
Hvis ja, hva skal tykkelse på det brannsikre materialet være og hvor mange centimeter fra skorsteinen å¨begge sider må vi ha det?
Tusen hjertelig takk for all hjelp,
Simona
Vi skal bytte en gammel peis mot en Jøtul 371 Advance (mest trolig) og lurer på litt om det der med avstand til brennbart materiale osv.
Vi skal bruke en eksisterende skorstein men til forskjell fra bilde nedenfor så skal vi ha peisen mot rommet i 45 graders vinkel. Vi har tenkt å ha den 30 cm fra veggen. Nå har vi alle vegger åpne og vil gjerne vite om vi på veggene til høyre og venstre fra skorsteinen må bruke brannsikre gipsplater eller brannmurplate eller inget av dette siden det er 30 cm avstand fra peisen til veggen.
Hvis ja, hva skal tykkelse på det brannsikre materialet være og hvor mange centimeter fra skorsteinen å¨begge sider må vi ha det?
Tusen hjertelig takk for all hjelp,
Simona


Ifl tegningen din og installasjonsopplysningene til Jøtul er det ikke tilfredsstillende uten brannhemmende material slik dere har tenkt det. "Vanlige" brannmursplater er gjerne 50mm, men du får vel ned i 30mm også.
Dere trenger kun plate på vegg på den siden av pipen ovnen står.
Linker forøvrig til installasjonsopplysningene til Jøtul for denne ovnen:
https://jotul.com/no/produkter/vedovner/f-370-advance/_attachment/42688?_download=true&_ts=156df998379
Grave? Flytte masser? Komprimere? Støype? www.budsjettmaskiner.no Eidsvoll, Arendal. Noe du vil leie ut? Ta kontakt, vi har plass til flere.
http://scan.dk/no/hjem/_attachment/53059?_download=true&_ts=16053efcc05
Hei!
Det er ingen påbud meg bekjent som sier dette, men du skal ha en 30cm ubrennbar plate forran døren/åpningen av ovnen. Avstandene kan variere fra ovn til ovn, og jeg linket derfor til den dere har sett dere ut.
Men ja, du kan ha ovnen nærmere ubrennbart materiale enn brennbart materiale.