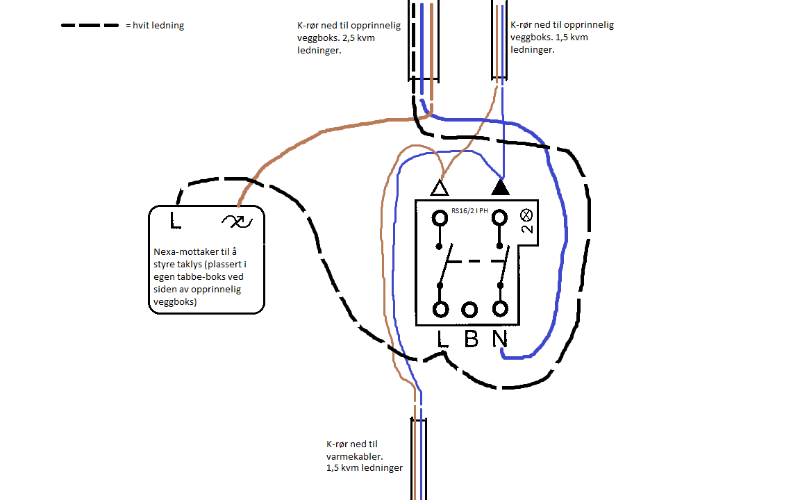
Har laget en tegning slik at det blir lettere å forstå.
På tegningen ser dere hva jeg har av "faste" ledninger å benytte meg av for å skaffe strøm og styre den to-polede bryteren som skal styre varmekablene og den trådløse Nexa-mottakeren som skal styre taklampa i rommet. Må vel kanskje strekkes en ekstra ledning mellom disse to enhetene/ boksene? K-rørene går inn til den opprinnelige veggboksen hvor den to-polede bryteren er plassert. Mellom denne boksen og den nye tabbe-boksen er det forbindelse i form av en nytt k-rør. Svart-stiplet strek på tegningen tilsvarer hvit ledning.
I tillegg hva er egentlig forskjellen på hvit og svart trekant på den to-polede bryteren?
Løsningen din er et tvilsomt enøk-prosjekt siden varmen må stå på for å kunne få lys i lampen. Kjedelig om sommeren kanskje?
Nå vet vi ikke hvor alle kabler går, men TS skriver at lyset fungerer nå, før to-polbryteren er montert. Bryteren skal kobles til to steder hvor det er angitt varmekabel, ikke lys.
Ellers ser koblingen ut til å være ok den, med forbehold at kablene går dit du skriver. Symbolene med åpen og fyllt trekant har ingen praktisk betydning enn å angi to utganger fra bryter.
Hva med wago på hvit ledning (svart-stiplet) med en forgreinin til nexa mottakeren og en forgreining til to-polsbryteren? Lurer bare på hvordan jeg skal løse det.
Dumt hvis kablene alltid må stå på for å få lys..hehe. Her er det mye jeg ikke skjønner, men tenkte strømmen brytes inni i bryteren ikke på skrukoplingen på L(?). Setter veldig pris på hjelp:) de to siste innleggene skjønte jeg ikke. Hvis det var myntet på min uvitenhet så tåler jeg det for å få løst problemet
Har laget en tegning slik at det blir lettere å forstå.
På tegningen ser dere hva jeg har av "faste" ledninger å benytte meg av for å skaffe strøm og styre den to-polede bryteren som skal styre varmekablene og den trådløse Nexa-mottakeren som skal styre taklampa i rommet. Må vel kanskje strekkes en ekstra ledning mellom disse to enhetene/ boksene? K-rørene går inn til den opprinnelige veggboksen hvor den to-polede bryteren er plassert. Mellom denne boksen og den nye tabbe-boksen er det forbindelse i form av en nytt k-rør. Svart-stiplet strek på tegningen tilsvarer hvit ledning.
I tillegg hva er egentlig forskjellen på hvit og svart trekant på den to-polede bryteren?
Nå vet vi ikke hvor alle kabler går, men TS skriver at lyset fungerer nå, før to-polbryteren er montert. Bryteren skal kobles til to steder hvor det er angitt varmekabel, ikke lys.
Ellers ser koblingen ut til å være ok den, med forbehold at kablene går dit du skriver. Symbolene med åpen og fyllt trekant har ingen praktisk betydning enn å angi to utganger fra bryter.
Dumt hvis kablene alltid må stå på for å få lys..hehe. Her er det mye jeg ikke skjønner, men tenkte strømmen brytes inni i bryteren ikke på skrukoplingen på L(?). Setter veldig pris på hjelp:) de to siste innleggene skjønte jeg ikke. Hvis det var myntet på min uvitenhet så tåler jeg det for å få løst problemet