10,907
19
0
Bevegelsessensor
571
Rogaland
0
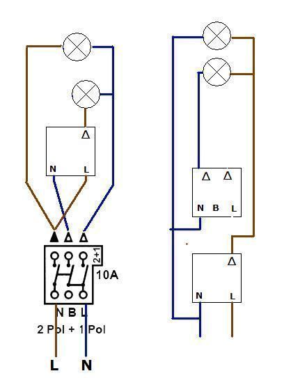
Elektriker var innom for å koble opp leiligheten. Jeg fortalte hva jeg ville ha på det ene vaskerommet men han må ha vært trøtt. Resultatet ble så rart at jeg måtte smile lenge. Kommer til å koble om selv, se bilde, så kan dere kan jo gjette hvilken løsning som er min - og hvilken som er elektrikeren sin - og for all del si fra dersom dere synes elektrikeren sin eller noen annen løsning er bedre
.
Men så var det det at dette er våtrom, men verken installatøren som jeg først snakket med, eller montøren snakket om topolt brudd, bortsett fra at montøren som dere ser likesågodt brukte en topolt bryter. Er dette for å lure et evt tilsyn? Skrur de ikke opp alle punkter og sjekker koblinger?
Til sist, dersom jeg har rett i at jeg skulle hatt topolt brudd, finnes det sensor med en topolt servicebryter på? Eller er dette ok siden punktene står rett ved siden av sikringgskap slik at det kan brytes der?
Men så var det det at dette er våtrom, men verken installatøren som jeg først snakket med, eller montøren snakket om topolt brudd, bortsett fra at montøren som dere ser likesågodt brukte en topolt bryter. Er dette for å lure et evt tilsyn? Skrur de ikke opp alle punkter og sjekker koblinger?
Til sist, dersom jeg har rett i at jeg skulle hatt topolt brudd, finnes det sensor med en topolt servicebryter på? Eller er dette ok siden punktene står rett ved siden av sikringgskap slik at det kan brytes der?

Definisjonen på våtrom er at det er sluk i rommet. Merkelig nok anser ikke DLE det på samme måte. Jeg bruker topolt bryter på vaskerom, men kjenner ingen andre som gjør det. Så en kontroll vil neppe gi merknad pga dette.
Ferdige prosjekter:
- Oppussing av badet.
- Oppussing av kjøkken
http://ctm.no/produktkatalog/?prod=76
Kjekk sak, men FYSJ for et design....
Hva er det du ønsker anlegget skal gjøre?
Ikke? Jeg synes de er ganske greie jeg. Men alle har vel forskjellig smak. :)'
Kjekke er de ihvertfall. CTM har mye bra utstyr.
Et lys skal kunne være av selv om sensor er på. Kommer derfor ikke til å sette 2pol foran. Blir nok høyre løsning oppe, så får jeg ihvertfall topolt brudd på ene lyset. Kunne jo evt i tråd med elktrikers topolt pynteløsning valgt å koble som høyre under, eller få elektriker til å komme med 2+1...
Fin den jeg fikk av elektriker ihvertfall: Klarte snike hånden innforbi døren og skru av og på ene lyset mens det andre alltid var på. Når sensor slo inn var det ikke lenger mulig å skru av det ene. Finnes kanskje plasser der dette kan være hensiktsmessig, men jeg kommer ikke på en eneste :)
Løsningen til høyre over er ikke lov. Det er brudd på N.