2,098
11
3
Kobling av universalåpner til garasjeport med relékort
895
0
Jeg kjøpte etter anbefaling her inne et relékort med universalfjernkontroll fra ebay. http://www.ebay.co.uk/itm/131645480721
Det jeg nå lurer på er hvordan dette skal kobles for å få det til å fungere. Mange ledninger her og ingen anelse om hva som skal hvor...
Porten er en Marantec comfort 100 (ganske gammel tror jeg) her er manualen til den: http://www.marantec.com/files/alte_eba/Comfort_100/Comfort100-20050610_EN.pdf
Noen kloke hoder som kan hjelpe meg her? Legger ved noen bilder. Bilde av sukkerbiten er slik det er koblet i dag for å kunne åpne med en "ringeklokke". Boksen til venstre er den som hører til den originale fjernkontrollen som ikke lenger fungerer.

Det jeg nå lurer på er hvordan dette skal kobles for å få det til å fungere. Mange ledninger her og ingen anelse om hva som skal hvor...
Porten er en Marantec comfort 100 (ganske gammel tror jeg) her er manualen til den: http://www.marantec.com/files/alte_eba/Comfort_100/Comfort100-20050610_EN.pdf
Noen kloke hoder som kan hjelpe meg her? Legger ved noen bilder. Bilde av sukkerbiten er slik det er koblet i dag for å kunne åpne med en "ringeklokke". Boksen til venstre er den som hører til den originale fjernkontrollen som ikke lenger fungerer.


Senderen har to knapper (A og
Om "self locking" og "Turn on or turn off the receiver with transmitter" betyr det jeg tror det betyr, så har du imidlertid et problem. Vanlige garasjeportåpnere trenger en styring som bare gir en kort impuls; altså slutter kontakt mellom to av punktene (sannsynligvis enten A-B eller B-C, dette kan du måle deg til med et multimeter) bare når du holder knappen inne. Jeg mistenker at dette kortet holder kontaktene i samme stilling også når du slipper knappen, og først slår av/bryter kontakten på neste knappetrykk. Den praktiske betydningen av det er i og for seg ikke verre enn at du blir nødt å dobbelklikke på fjernkontrollen i stedet for å enkelklikke. Det kan også hende at dette kan konfigureres på kortet, eller at det har både en "permanent" ("self-latching") utgang mellom A-B, og en "impuls" mellom A-C, eller B-C, eller-eller... Skulle altså gjerne hatt manualen til rele-kortet, som sagt.
Hva skjer om du holder ringeklokke-knappen inne helt til porten er helt oppe? Stopper den, eller går den ned igjen når den kommer opp? Og om den stopper, hva skjer når du slipper knappen; går den ned igjen med en gang, eller først på neste trykk?
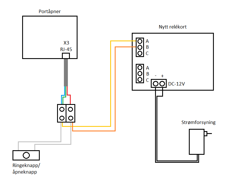
Jeg kjøpte en slik også: http://www.ebay.co.uk/itm/371163710573 for å få 12v. Her er det vell bare å koble en kobberledning mellom + på adapteren og + på reléet, og det samme med - for å gi det strøm.
Dersom jeg holder inne ringeklokka til porten er helt åpen så skjer det ikke noe når den er på toppen, heller ikke når jeg slipper (den blir stående i åpen posisjon). Trykker jeg igjen så går den ned.
Skjønner ikke helt hvorfor det er tre ledere til portåpnerbryteren, når to av dem er koblet direkte sammen (a og c, blå og rød på side 16 i manualen), men slik jeg ser det skal blå+rød til en kontakt, og grønn til den andre. Og som nevnt, dette kan paralellkobles med den "manuelle" eksisterende bryteren.
Den røde lederen har antagelig enten som funksjon å detektere at ekstern åpnebryter blir benyttet (kortslutning mellom blå og rød når RJ pluggen er tilkoblet). Eller så har den røde lederen muligheter for å kunne stoppe, deaktivere eller låse portåpneren når kortslutningen brytes mellom rød og blå leder. Ikke alltid alle koblingsmuligheter fremkommer på disse skjemaene. I blant finnes det flere funksjoner som det ikke opplyses om i den "vanlige" manualen.
På dette bildet ser det jo ut til at blå + grønn er sammenkoblet (A +
eydbydal: Blå og grønn er koblet sammen i sukkerbiten ja. Men som du sikkert ser i manualen så er fjernkontrollenheten koblet til i et annet punkt en ringeklokka (to utganger på motoren). Men siden dette var en gammel modell med en "utgått" hertz på fjernkontrollen kunne en visst ikke skaffe ny kontroll, men måtte ha et slikt relé, det skulle de ha 1500 for, noe jeg syntes var litt i overkant, derfor jeg famler litt med denne løsningen i stedet for. Siden jeg ikke kommer til å bruke den originale fjernkontrollutgangen, kan jeg koble meg direkte på her kanskje?
Grunnen til at originalåpneren ikke fungerer kan nok være et hardt møte med flisegulv... I tillegg er selve fjernkontrollen på størrelse med 3 smarttelefoner i høyden, og den går på 9v batteri...
Edit: B og C porten piper selv om det ikke er strøm på... Så da er det vel kontakt mellom B og C da?
Du må lese brukermanualen til relékortet og finne ut hvordan du programmerer den til å kun gi en puls, på eksempelvis 2 sekunder. Altså når du trykker på knappen på fjernkontrollen så skal releet kun være aktivert i 2 sekunder, så skal releet slå seg automatisk av igjen.
Du bør ikke koble noe til inngang X4a der hvor den originale fjernkontrollstyringen har vært tilkoblet. Du har ingen kjennskap til hvilke funksjoner og signaler som går i disse ledningene, og det er ingen informasjon om dette i brukermanualen. Kobler du noe feil på denne inngangen så kan du ødelegge styringskortet i portåpneren, hvor du i verste fall må kjøpe alt nytt.