2,443    10    2  

To brytere og en dimmer for samme lyspunkt - er det mulig?

 6     0
Hei, 

Vi diskuterer litt på hytta. Vi har i dag et lyspunkt i gangen, og tre brytere som kan skru lyset av og på. Er det mulig å bytte ut den ene bryteren med en dimmer, slik at en dimmer bestemmer lysstyrken, mens de to andre bryterne skrur av/på. 



Husk dette under oppussing: Lagre kvitteringer, bilder og avtaler i Boligmappa. Logg inn her

   #1
 25,760     Akershus     0
Skal du slå lyset av/på to steder eller tre? Sagt på en annen måte, kan det ene punktet være kombinert dimmer/bryter, det andre av/på?
Signatur
   #2
 1,355     2
Hei,

Vi diskuterer litt på hytta. Vi har i dag et lyspunkt i gangen, og tre brytere som kan skru lyset av og på. Er det mulig å bytte ut den ene bryteren med en dimmer, slik at en dimmer bestemmer lysstyrken, mens de to andre bryterne skrur av/på.

Bruk en skjult dimmer som styres med impulsbrytere. Da kan du ha så mange brytere du vil, og alle kan slå av/på eller dimme.

Noe slikt: https://www.elektroimportoren.no/dimmer-microled-4-100w-micro-matic/1404489/Product.html
  (trådstarter)
   #3
 6     0
Skal du slå lyset av/på to steder eller tre? Sagt på en annen måte, kan det ene punktet være kombinert dimmer/bryter, det andre av/på?


Hei. Tanken var - er det mulig å bytte ut den ene av de tre bryterne som vi har på veggen i dag med en dimmer?
   #6
 2,297     Ski     0
Jeg tipper at han har 3 brytere som står plassert forskjellige steder som styrer ett lyspunkt, slikt som er vanlig i trapper bla. Så vil han bytte ut ett av de med en dimmer og styrken på lyset vil han skal kontrolleres av den dimmeren uavhengig av hvilekn bryter han bruker til å slå den på med.

   #8
 39,546     Lillestrøm kommune     0
Jeg har aldri sett på fuksjon på endevender men lurer jo på om det vil det virke? Bryterne bytter jo posisjon hva som er av og på (en slår på med en og av med en annen) så den må vel stå der strømmen går videre til lampen ?

Her hjemme er det 4 slike brytere på lys i trapp/hall
   #9
 25,760     Akershus     0
En endevender er en vekselvender. Koblingen ser slik: strøm fra faseleder til vender («splitter ) videre fra 1 vender to ledere til neste vender («samler ) som «tar imot 2 ledere og med én leder ut. Denne til lampepunkt, videre til anndre faseleder.

En ser at med «splitter velger en «øvre eller «nedre leder frem til «samler med «samler velger en den strømførende eller den døde.

Gitt at venderne står med samme kant opp, vil begge inn nede eller begge inn oppe = av. Skjevstilt er på.

(Det finnes en annen måte å koble på. Da sparer en en leder, men spenningen i bryteren kan gi lysbue. Normalt er denne koblingen ikke tillat)

Dersom en skal opp mange etasjer, så settes endevender nede og oppe. I etasjene mellom settes en mellomvender/kryssvender. En slik bytter om på «øvre og «nedre .

Blir mye kabel. Impulsvendere er enklere kabelmessig og betjeningsmessig.
Signatur
   #10
 3,635     0
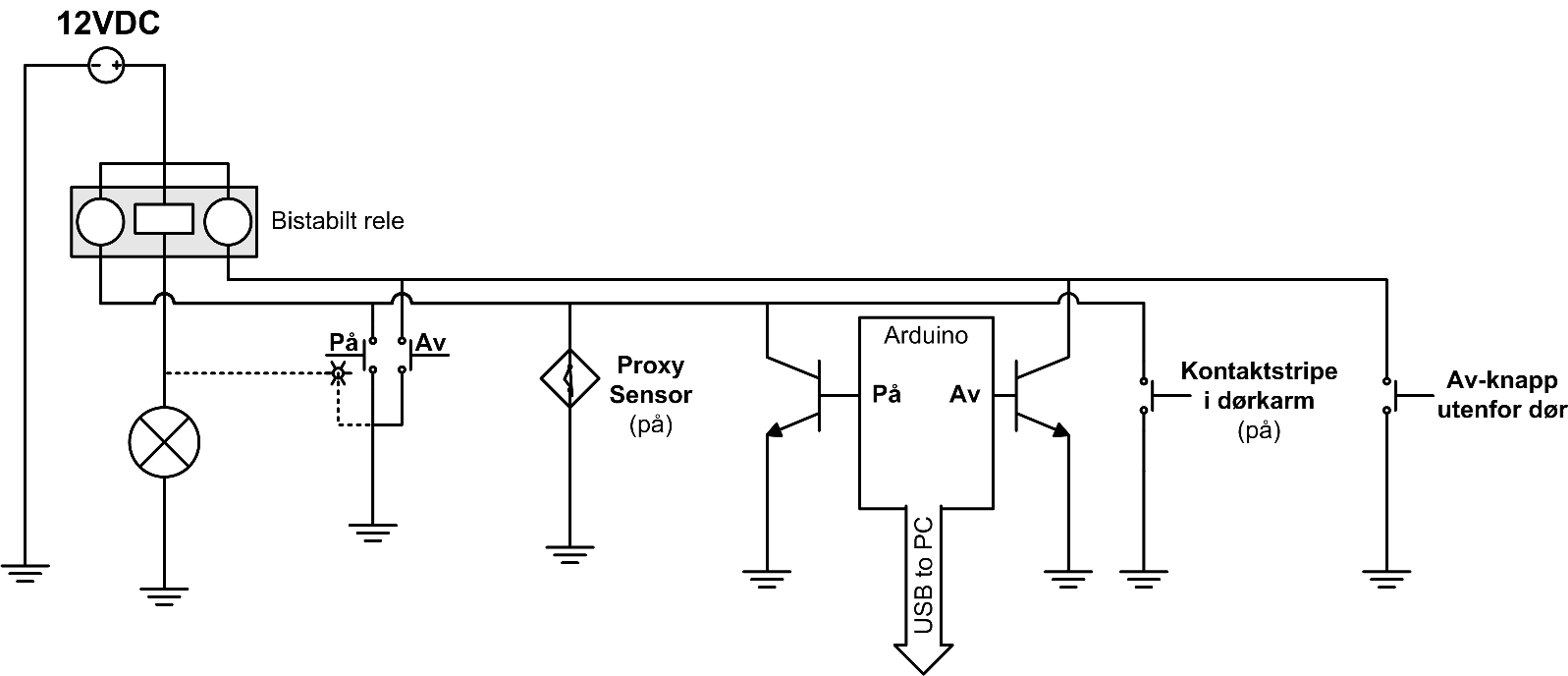
Jeg er i ferd med å bytte ut belysningen med en 12VDC-løsning der jeg har tilsvarende ønsker som ts. Min løsningsmåte er vel ikke direkte egnet for ts, men siden behov / ønsker er de samme, presenterer jeg den; kanskje det er interessant for andre med lignende planer. I figurene jeg laget til "designbeskrivelsen" tegnet jeg opp "trappebryter"-mekanismen og dimmer-funksjonen hver for seg, men det burde være enkelt å kombinere dem.

Først trappebryteren, eller "multi-bryter": Her er vist en prinsippskisse med én trappebryter, en proxy-sensor som kun slår lyset, en mikromaskin (Arduino) som f.eks. kan være programmert til å slå på/av lyset på ulike klokkeslett, en mikrobryter som slår på lyset når åpning av døra gjør at en forbindelse i dørkarmen sluttes, og til slutt en trykknapp for å slå av lyset når man forlater huset. Det vil neppe være noe lyspunkt med alle disse på/av-typene - skissen er laget for å illustrere ulike alternatvier for å koble enten på- eller av-lederen mot jord, og at du kan ha så mange og så ulike skom du ønsker.

Lyspunktet får strømmen direkte gjennom et rele i tak/vegg-boks. På/av-lederne leder strøm kun når du har fingeren på knappen, og strømstyrken er kun den som behøves for å aktivere releet, som er bistabilt: Det blir stående i samme stilling (på/av) når du slipper knappen, uten å sprette tilbake til en fast posisjon. Fordi driftsstrømmen til lyset ikke går via noen vender eller trykknapp blir ledningene korte: Direkte fra kraftkilde til lys, uten "sidespor".

En ren av-knapp (som den helt til høyre) er en fjærbelastet "ringeknapp". På/av-knapper er fjærbelastede 3-posisjon vippebrytere: I nøytral midstilling er begge kontakter er åpne. Press på høyre side slutter på-kontakten, press på venstre side slutter av-kontakten, så lenge knappen presses.

Den stiplede linjen fra lyskilden til på/av-bryteren er i tilfelle du ønsker en indikator ved bryteren som forteller om lyset er slått på eller av; det er kanskje mer aktuelt hvis det ikke er lys som styres men f.eks. vifter.



Mine dimbare lyspunkter er styrt av en Arduino. LED-lys styres ved å slå dem av og på med høy "blinkefrekvens" (noen hundre blink i sekundet eller mer). Lysstyrken bestemmes av hvor langt blinket er i forhold til tiden mellom hvert blink. I skissen nedenfor styrer en pulsbredde-utgang (PWM - Pulse Width Modulation) på Arduinoen en svitsje-transistor for spenning til lyspunktet. Transistoren bør stå nær lyspunktet, ikke nær Arduinoen: All strøm til lyset går gjennom den; styrestrømmen på PWM-utgangen er minimal og kabellengden betyr lite.


I denne skissen er alle andre på/av-brytere utelatt, men det er ingenting i veien for å koble vilkårlige brytere til på/av-lederne fra releet, akkurat som i den første skissen.

Opp/ned-knappene er samme type vippebrytere som på/av-knappene, og du kan koble så mange opp/ned i parallell som du ønsker. Svitsjetransistoren må styres av én eneste Arduino, som alle opp/ned-bryterne for dette lyspunktet er koblet til. Vil du ha mulighet for å slå på fullt lys, uavhengig av hva Arduinoen sier, kan du legge inn en vanlig (ikke fjærbelastet) bryter som kortslutter transistoren - men husk at all strøm til lyspunktet går gjennom bryteren, så ledningen bør ikke være altfor lang!

Arduinoer er så billige (spesielt om du kjøper kina-pirater...) at du kostnadsmessig kunne vurdere å ha én pr. lyspunkt (releet er dyrere enn Arduinoen!). Ulempen er at du gjerne vil ha PC-kontakt med Arduinoen over USB, og da må du trekke USB-ledninger "overalt". Så jeg satser på noe få av dem, med PWM-styringen lagt sammen med på/av-styringen.

Ja, dette er en "mekker"-løsning. Ikke noe jeg ville presentere verken for svigermor eller i filosofi-gruppa (om det hadde vært aktuelt). Prosentandelen mekkere er vel noe høyere på BB enn snittet i samfunnet Smile
To brytere og en dimmer for samme lyspunkt - er det mulig? - 3999dba2fed4497887cf67937692fe08.png - keal
To brytere og en dimmer for samme lyspunkt - er det mulig? - 75c540d04f97423b8a0bdd98ce7431fc.png - keal