Jeg syns også det er noe herk at alle funksjonsblokker er bygget opp med at de skal ha puls/trigger.
Se på mitt forslag. Tror det skal fungere....
EDIT: Har nå tatt utgangspunkt i at alt lys styres via KNX-bus... Er det slik?
Takk for tips. Det er KNX ja (men jeg bruker en EIB-dimmer-modul, men det bør ikke endre noe)
Multiply-blokken din regner jeg ikke med er nødvendig som sådan, det er bare noe du bruker for å kunne sette forsinkelsen i minutter, istedet for sekunder?
Deretter kjører du en IF-block som sender "ON" når begge inputs er off? (siden det er en "rød rute" på utgangen), og denne IF-blokka baserer seg på tilstand, og ikke puls?
Se om du klarer å få det til hvis du setter inn "pulse generator" til reset på "switch on delay".
Ja, det er kanskje mulig, men da må man altså sende en puls til reset hele tiden, unntatt når ett visst krav oppfylles? Virker som en litt "klumsete" løsning, om du skjønner?
Ja, føler det kan bli litt "klumsete" noen ganger. Det var bare det første som jeg kom på i farta. Ja, tanken min var at den skulle sende en puls til reset hele tiden, og når det blir bevegelse i gang/sov, så blir pulsen disabled.
Deretter kjører du en IF-block som sender "ON" når begge inputs er off? (siden det er en "rød rute" på utgangen), og denne IF-blokka baserer seg på tilstand, og ikke puls?
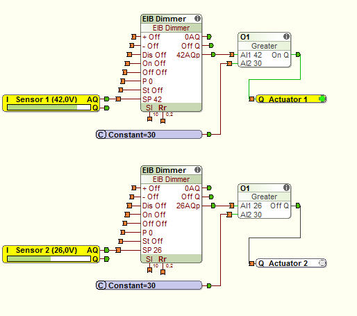
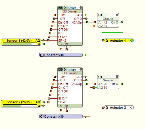
Jeg har ett oppsett på stua der jeg dimmer endel lamper, men er en lampe der som er en led-armatur som ikke kan dimmes. Derfor skrues den av og på. Men jeg vil at den skal slås på og av når jeg dimmer nivå til over og under 30%, noen som har noen tips til en noenlunde enkel måte å få til det på? Per nå har jeg en "greather then" og sjekker om tallet er over 30, den slår til on om det er det, og off om ikke, men det er ikke en puls, og man kan heller ikke koble den rett til EIB actuatoren direkte, og få det til å funke. Klarer vel alltids å få til noe, men vil gjerne ha en variant med masse blokker bare for å få til noe så enkelt.
Skjønner ikke helt hva du vil frem til. Du vil lage til styringen med mindre funksjons-blokker? Ved bruk av "greater" blokk, så er det jo ikke noe særlig mye mer du trenger. Hva mener du med at du ikke kan koble den direkte til eib aktuator?
Skjønner ikke helt hva du vil frem til. Du vil lage til styringen med mindre funksjons-blokker? Ved bruk av "greater" blokk, så er det jo ikke noe særlig mye mer du trenger. Hva mener du med at du ikke kan koble den direkte til eib aktuator?
En "greater than" blokk er ikke nok alene. Om jeg kjører en "greater than"-block, og kobler outputet til en EIB-actuator, så er ikke det alene nok til aktivere den EIB-actiatoren, altså, den slår ikke på (eller av) lyset.
Sånn jeg har gjort det ja (untatt at øverst til venstra har jeg ikke "sensor" men AqP-utgangen på en EIB-dimmer, men skal ikke gjøre noe forskjell), "greater then" reagerer, men den aktiverer ikke aktuatoren.
Ja, det har jo ingen betydning. Så når verdien overstiger så sender "greater then" ON, men aktuatoren aktiveres ikke (aktuator blir ikke gul i Liveview)? Virker isåfall som om det er en bugs i Loxone-config, for det fungere fint her. Prøv å slett aktuatoren og legg inn en ny.
Jeg har ikke skumringsbryter enda, dette er noe som blir lagt opp til når jeg skal renovere loftet, derfor må jeg bruke tidsstyring inntillvidere.
Du trenger ikke gå til anskaffelse av skumringsbryter. Loxone har innebygd astro-ur funksjon (du legger bare inn hvor du befinner deg i verden, så får du signal ved soloppgang og solnedgang).
Takk for tips. Det er KNX ja (men jeg bruker en EIB-dimmer-modul, men det bør ikke endre noe)
Multiply-blokken din regner jeg ikke med er nødvendig som sådan, det er bare noe du bruker for å kunne sette forsinkelsen i minutter, istedet for sekunder?
Deretter kjører du en IF-block som sender "ON" når begge inputs er off? (siden det er en "rød rute" på utgangen), og denne IF-blokka baserer seg på tilstand, og ikke puls?
Har jeg forstått det rett?
Ja, det er kanskje mulig, men da må man altså sende en puls til reset hele tiden, unntatt når ett visst krav oppfylles? Virker som en litt "klumsete" løsning, om du skjønner?
Ja, stemme det
Hva mener du med at du ikke kan koble den direkte til eib aktuator?
En "greater than" blokk er ikke nok alene. Om jeg kjører en "greater than"-block, og kobler outputet til en EIB-actuator, så er ikke det alene nok til aktivere den EIB-actiatoren, altså, den slår ikke på (eller av) lyset.
Virker isåfall som om det er en bugs i Loxone-config, for det fungere fint her. Prøv å slett aktuatoren og legg inn en ny.
Har du programmert noe ala dette? Kan jeg få se?
Har alt som er moro til hobby.