I Periphery menyen på venstre siden under «Loxone Miniserver -> Times», så har du mulighet for å legge inn det med signaler du vil. F.eks. puls ved soloppgang, puls ved solnedgang eller et fast signal ved dagslys. Så er bare til å bruke det som passer styringen din best. Ved merking av første ikon i Periphery menyen, der legges info om prosjektet ditt inn, og der skriver du bare inn navnet på byen som du befinner deg i.
Sålangt fant jeg ut. Men etter sunset så er det jo langt i fra mørkt men jeg klarer vel å lage til en delay sak etter den. Men sunrise? Da må jeg jo bruke "less than", og bruke time minutes to sunrise eller noe.
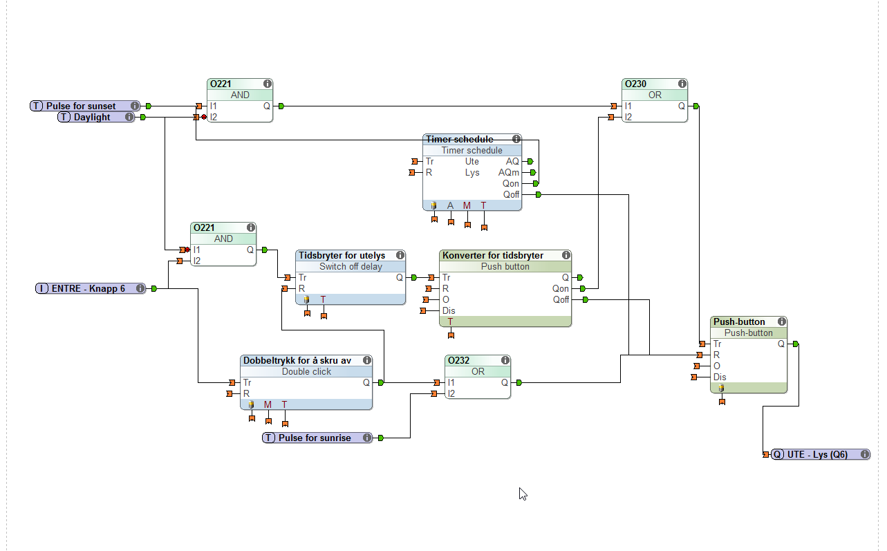
I tillegg så skal lyset slå seg av kl 00.00, men en PIR skal kunne slå på lyset mellom sunset og sunrise likevel. Samt at jeg skal kunne tvangskjøre.
Dette var vell en av de første tingene jeg lage styring til i loxone, så kan være noe er laget litt tungvint, men fungere helt fint.
- Timer'n bestemmer når på natta lyset skal være av. - Viruelle input, har jeg for å bestemme lystyrke som spotene skal være når de slås på. - Memory flag har 1s delay pga analog memory tullet litt når signalet forandret seg på trigger og reset samtidig.
Bevegelse sensor har jeg ikke, så det får du bare presse inn der som det skulle passe ;) Ja, er jo bare til å legge inn en time delay, hvis du vil at det skal være litt forsinket.
Den er litt tungvindt satt opp ja, ingen tvil om det ;-) Men jeg tok ideen din og lagde min egen på samme prinsippet.
Men etter litt skribling på papir i går, så lurer jeg på om det kan spares inn på "or" saken ved å bruke time scheduleren sin "activate" funksjon?
Jeg hadde en logikk tegnet i går, men vet ikke hvordan den virker enda, ble ikke helt ferdig.
En annen ting. "Delayed on" funksjonen. Virker ikke den med en trigger? Hos meg så sender den ikke signal delayed uten at triggeren får en puls som er lengre en "T"? Trodde den skulle virke som "Delayed off" jeg. At den sendte slå på utgangen etter 5 sec, isteden for skru den av etter 5 sec. Virker jo mest logisk sånn, men det er det ikke.
Men etter litt skribling på papir i går, så lurer jeg på om det kan spares inn på "or" saken ved å bruke time scheduleren sin "activate" funksjon?.
Alt etter hvordan du setter det opp så går nok det og. Men mener jeg fant ut at "analog memory" likte best puls signaler, så er derfor det ble slikt det ble. Men du trenger jo heller ikke "analog memory", jeg brukte det for at jeg skulle kunne bestemme hvilken lysstyrke utelyset skal ha når de går på via web interfacen
En annen ting. "Delayed on" funksjonen. Virker ikke den med en trigger? Hos meg så sender den ikke signal delayed uten at triggeren får en puls som er lengre en "T"? Trodde den skulle virke som "Delayed off" jeg. At den sendte slå på utgangen etter 5 sec, isteden for skru den av etter 5 sec. Virker jo mest logisk sånn, men det er det ikke.
"Switch-On dealy" fungere slikt at signalet blir forsinket koblet til. Utgangen vil sende samme signal som er på inngangen, men bare det kommer forsinket. I det signalet forsvinner på inngangen så går utgangen til 0. Forsvinner signalet inn før delay tiden har gått, så vil aldri utgangen bli aktivert.
"Memory flag" med delay, vil sende nøyaktig det samme signalet som det har fått, men bare forsinket med angitt tid.
Jeg ønsker å få til å ha forskjellige lys scenarioer ut i fra tid på døgnet, og om huset er i "natt modus" eller ikke. Er det noen som har programmert noe sånn?
Jeg har en knapp på soverommet som sender puls til 2 memoryflag. Et for å slå av alt lys i huset, og en som bare heter "natt modus".
Jeg ønsker at hvis huset er i nattmodus, og klokken er etter 22, i tillegg til at det er mørkt ute så skal gangen og badet bare dimme lyset opp til 40%. Da tenkte jeg å lage et scenario som heter "Natt modus" på de dimmerene det gjelder, så må jeg på en måte få systemet til å sende desse ut fra kriteriene ovenfor.. Tips?
Er nokså lett å gjøre ved bruk av AND funskjoner. Bruker da en AND funksjon til hver av senarioene som lyset skal gå i. Så er det bare å tegne inn de funksjonene som skal aktivere det.
Jeg får se litt på det seinere. Det skal jo være en fast tid, og at huset et i nattmodus. Så det kan vel ikke være så vanskelig :-)
Er det noen som har laget script for å hente ut værdata fra yr.no? Jeg begynte å se litt på det i går, men er ikke noen programmerer, og ser at yr nå støtter 3 måter å hente data på. XML, php script og GRIB.
Jeg er ute å lage en egen værvarsel side for iPad terminalene i huset. Pr nå så har jeg en knapp som åpner en side til yr, men det er litt kjedelig. Pluss at jeg kan ikke lage varser basert på feks nedbør, eller vind.
Vet ikke hva dere andre synest, men den gjør jobben hvertfall, selv om det er rotete som fy. Hadde helt glemt ut den timeren. Derfor den er trøkka midt i der, med "kryssende ledninger"
Får se litt over den i kveld, for å finpusse litt. Noen som ser tips til forbedringer?
Ved merking av første ikon i Periphery menyen, der legges info om prosjektet ditt inn, og der skriver du bare inn navnet på byen som du befinner deg i.
Men sunrise? Da må jeg jo bruke "less than", og bruke time minutes to sunrise eller noe.
I tillegg så skal lyset slå seg av kl 00.00, men en PIR skal kunne slå på lyset mellom sunset og sunrise likevel. Samt at jeg skal kunne tvangskjøre.
Har alt som er moro til hobby.
- Timer'n bestemmer når på natta lyset skal være av.
- Viruelle input, har jeg for å bestemme lystyrke som spotene skal være når de slås på.
- Memory flag har 1s delay pga analog memory tullet litt når signalet forandret seg på trigger og reset samtidig.
Bevegelse sensor har jeg ikke, så det får du bare presse inn der som det skulle passe ;)
Ja, er jo bare til å legge inn en time delay, hvis du vil at det skal være litt forsinket.
Den er litt tungvindt satt opp ja, ingen tvil om det ;-)
Men jeg tok ideen din og lagde min egen på samme prinsippet.
Men etter litt skribling på papir i går, så lurer jeg på om det kan spares inn på "or" saken ved å bruke time scheduleren sin "activate" funksjon?
Jeg hadde en logikk tegnet i går, men vet ikke hvordan den virker enda, ble ikke helt ferdig.
En annen ting. "Delayed on" funksjonen. Virker ikke den med en trigger?
Hos meg så sender den ikke signal delayed uten at triggeren får en puls som er lengre en "T"? Trodde den skulle virke som "Delayed off" jeg. At den sendte slå på utgangen etter 5 sec, isteden for skru den av etter 5 sec. Virker jo mest logisk sånn, men det er det ikke.
Har alt som er moro til hobby.
Alt etter hvordan du setter det opp så går nok det og. Men mener jeg fant ut at "analog memory" likte best puls signaler, så er derfor det ble slikt det ble.
Men du trenger jo heller ikke "analog memory", jeg brukte det for at jeg skulle kunne bestemme hvilken lysstyrke utelyset skal ha når de går på via web interfacen
"Switch-On dealy" fungere slikt at signalet blir forsinket koblet til. Utgangen vil sende samme signal som er på inngangen, men bare det kommer forsinket. I det signalet forsvinner på inngangen så går utgangen til 0. Forsvinner signalet inn før delay tiden har gått, så vil aldri utgangen bli aktivert.
"Memory flag" med delay, vil sende nøyaktig det samme signalet som det har fått, men bare forsinket med angitt tid.
Jeg har bare en KNX actuator som skal av eller på jeg så.
Skal spørre Loxone support om litt hjelp til å lage en smart styring med PIR osv.
Har alt som er moro til hobby.
Jeg har en knapp på soverommet som sender puls til 2 memoryflag. Et for å slå av alt lys i huset, og en som bare heter "natt modus".
Jeg ønsker at hvis huset er i nattmodus, og klokken er etter 22, i tillegg til at det er mørkt ute så skal gangen og badet bare dimme lyset opp til 40%. Da tenkte jeg å lage et scenario som heter "Natt modus" på de dimmerene det gjelder, så må jeg på en måte få systemet til å sende desse ut fra kriteriene ovenfor.. Tips?
Har alt som er moro til hobby.
Er det noen som har laget script for å hente ut værdata fra yr.no? Jeg begynte å se litt på det i går, men er ikke noen programmerer, og ser at yr nå støtter 3 måter å hente data på. XML, php script og GRIB.
Jeg er ute å lage en egen værvarsel side for iPad terminalene i huset. Pr nå så har jeg en knapp som åpner en side til yr, men det er litt kjedelig. Pluss at jeg kan ikke lage varser basert på feks nedbør, eller vind.
EDIT: Litt tidlig med lagre knappen.
Har alt som er moro til hobby.
Vet ikke hva dere andre synest, men den gjør jobben hvertfall, selv om det er rotete som fy.
Hadde helt glemt ut den timeren. Derfor den er trøkka midt i der, med "kryssende ledninger"
Får se litt over den i kveld, for å finpusse litt.
Noen som ser tips til forbedringer?
ScreenShot001.bmp
Har alt som er moro til hobby.